EFALI 伊法莲气动隔膜泵 工程塑料泵 耐高温耐腐蚀酸碱泵 化工行业 流体输送

参数
中间体:PP
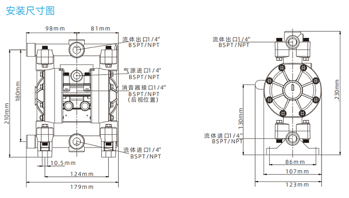
口径:1/43/8寸
最大流量:18LPM(4.7GPM)
最大工作压力:102PSI(7.0 BAR)
最高吸程:干吸2.5m湿吸4.4m
最大通过颗粒:直径1.5mm


产品优势:
1、材质:聚丙烯材质,采用进口材料,专利添加耐磨因子,泵体耐磨耐腐蚀,寿命长久。
2、膜片:采用专利加强筋设计,与整机配合度更高,更稳定。
3、允许空转:无需用油润滑,允许空转。
4、安全防爆:不必用电,在易燃、易爆场所使用安全可靠。
5、密封无漏:泵体密封性好,耐磨耐腐蚀,确保介质无泄漏。
6、操作方便:不需灌引水,结构简单,易损件少,安装维护方便。
7、流动性好:泵通过性好,抽送杂质对泵磨损小,可输送有粘度液体。
8、自动启停:一旦超负荷,泵会自动停机,当负荷恢复正常后,能自动恢复运作。
累计评价
0