固瑞克 英格索兰 威尔顿 气动泵 耐腐蚀 化工泵 奥弗 胜佰德
首页 > 工业类气动泵 > 非金属气动泵 > PVDF氟塑料气动泵 > EFALI 伊法莲气动泵 化工隔膜泵 酸碱耐腐蚀 流体输送泵 污水处理 环保设备
< >
EFALI 伊法莲气动泵 化工隔膜泵 酸碱耐腐蚀 流体输送泵 污水处理 环保设备
伊法莲 EFALI-EP/EA25 铝合金金属隔膜泵 化工行业专用泵 流体输送 自吸泵
限时促销
剩余 0000小时 0000
市 场 价
¥0.00
商 城 价
价格面议

累计评价

0
促  销
商品编号:
A177267667839-1
品牌:
上海市本地销售:18117373387

看了又看

  • 商品介绍
  • 商品问答
  • 商品评价(0)
  • 系列:EP/EA
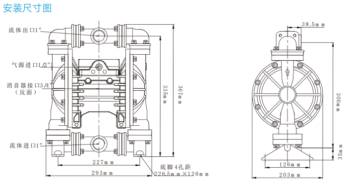
  • 型号:EP/EA25
  • 流量:157LPM
  • 压力:8.4 bar
  • 材质:铝合金泵体
  • 行业:环保、化工、污水、喷漆、农业、建筑等
  • 介质:污水、雨水、油漆、颜料、石油、海水等
  • 规格:1寸

EFALI 伊法莲气动泵 化工隔膜泵 酸碱耐腐蚀 流体输送泵 污水处理 环保设备

参数

中间体:PP/PVDF

口径:1寸

最大流量:157LPM(41GPM)

最大工作压力:122PSI(8.4 BAR)

最高吸程:干吸 4m湿吸 8m

最大通过颗粒:直径4mm

铝合金1.png

铝合金参数1.png

铝合金参数2.png

E泵优势:

1、材质:聚丙烯材质,采用进口材料,专利添加耐磨因子,泵体耐磨耐腐蚀,寿命长久。

2、膜片:采用专利加强筋设计,与整机配合度更高,更稳定。

3、允许空转:无需用油润滑,允许空转。

4、安全防爆:不必用电,在易燃、易爆场所使用安全可靠。

5、密封无漏:泵体密封性好,耐磨耐腐蚀,确保介质无泄漏。

6、操作方便:不需灌引水,结构简单,易损件少,安装维护方便。

7、流动性好:泵通过性好,抽送杂质对泵磨损小,可输送有粘度液体。

8、自动启停:一旦超负荷,泵会自动停机,当负荷恢复正常后,能自动恢复运作。


购买之前,如有问题,请 发表咨询
100% 好评度
  • 好评(100%)
  • 中评(0%)
  • 差评(0%)
  • 全部评价(0)
  • 好评(0)
  • 中评(0)
  • 差评(0)