微信客服
18117373387
QQ客服
271552507FLUIMAC孚镁克食品级气动泵卫生级不锈钢泵PF60型1寸口径泵 饮料/酒水/溶剂等物料输送
意大利孚镁克FLUIMAC,以可靠的、迅速的技术支持服务和援助立足于业界。公司内部的研发部门会确保其团队成员对产品的精通程度持续
不断的提升,合适的处理所有客户的需求。公司紧跟市场不断的发展而变化,而产品质量方面的控管,确保创新和已认证的产品方面,都是
符合当前的法规标准。
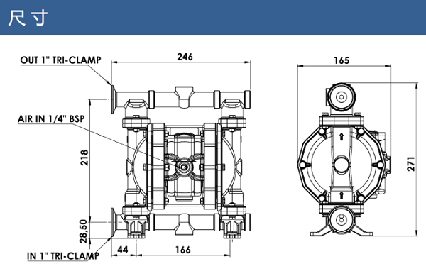
PF60 型,1寸口径
产品特点
● 长效耐用的膜片结构设计
● 高效的气源换向分配设计
● 持久不漏水的螺栓紧固设计
● 换向阀便于更换的设计
● 优化的膜片夹紧设计,减少渗漏破损
● 双消音器设计,减少结冰降低噪音
● 优化的液流结构,气源消耗量减少
● 多种流量口径及材质,适用不同工况
● 不卡机的设计,降低泵的损坏机会
● 不锈钢316电解抛光,快拆卡箍接头
● 符合食品FDA认证,可选全不锈钢机体
规格参数
进口/出口尺寸 1”卡箍接头 BS4825 吸程-干吸 5 米
气源接口 1/4” BSPP 吸程-湿吸 9.8 米
流量 65 升/分 允许颗粒物 3.5 mm
气源压力 2~8 bar 噪音等级 72 dB
扬程 80 米 介质粘度 20000 cps
防爆等级
II 3/3 G Ex h IIB T4 Gb
II 3 D Ex h IIIB T135°C Db X 可选配更高防爆等级机型
压缩空气源压力 Bar
空气消耗量 Nit/min [SCFM]
1.流量曲线及性能参数是在水温20℃及沉水方式往开放管路泵打测量的结果。
2.数值可能根据主体材质以及水压条件不同而有差异。
3.影响流量的原因有:吸液方式,扬程高度,气源压力以及液体属性等因素。
材质 净重 耐温
不锈钢 7.3 kg - 20 °C ~ + 95 °C




累计评价
0