微信客服
18117373387
QQ客服
271552507Blagdon布拉格登 高性能高压泵 气动双隔膜泵 高粘度液体输送 酸碱耐腐蚀
高性能的布莱登气动双隔膜泵(AODD),能够稳定地输送。
Blagdon气动双隔膜泵(AODD)即使在最苛刻的条件下也能实现高性能。我们的AODD泵无论在什么应用中都能稳定地提供所需的性能。
我们专注于设计和制造能够在极端条件环境中稳定使用的高性能泵。它们将使您的流程在地下和地面以上都能顺利进行。
我们的泵采用最新技术,提高其效率和生产力。我们的泵消耗更少的能源,并且需要更少的维护。我们的泵被广泛认为是行业的主力。
它们能够在相对较低的压力和流量下处理最困难的流体。我们的泵在传输和计量非常稀薄和高粘度流体以及清洁和含颗粒液体方面都有应用。
我们的泵被应用于石油和天然气、食品和饮料、化学加工、军事应用、废水、水和海洋工业等多个行业。我们的泵的应用几乎是无限的。

B25 高压泵
坚固的结构,易于维护
可以轻松处理粘性、比重高和扬程高的应用
流畅的动作,减少震动和磨损
压力至16巴(232磅每平方英寸)
流量最高可达125升/分钟(33加仑/分钟)
螺栓连接结构,提高整体强度
可靠的气动空气阀
在闭合头时无损坏的支架
按需重启
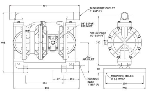
规格
最大交付量.....................................................................125 升/分钟 (33 加仑/分钟)
最大工作压力.....................................................................16 巴 (232 磅每平方英寸)
最大固体颗粒尺寸.....................................................................3 毫米(0.12 英寸)
空气入口.....................................................................3/8″ NPT
温度极限.....................................................................由弹性体决定
干式吸力提升.....................................................................6 米(20 英尺)
吸力提升(湿).....................................................................7.6 米(24.9 英尺)
流体入口/出口.....................................................................1″ BSP / NPT
安装.....................................................................表面贴装
配件包括在内.....................................................................排气消音器
运输重量.....................................................................33 公斤(72.8 磅)不锈钢/铝 24.5 公斤(54 磅)铝
运输尺寸.....................................................................480 x 320 x 480 毫米 18.9英寸 x 12.6英寸 x 18.9英寸


累计评价
0