微信客服
18117373387
QQ客服
271552507BLAGDON布拉格登 B50非金属泵 结构简单 易于维护 高粘度液体输送泵
无限的应用范围
Blagdon AODD 泵因其在相对较低的压力和流量下处理困难液体的能力,长期以来一直被认为是该行业的“主力”泵。
AODD泵在其最简单形式是一种正位移泵。

它们由压缩空气驱动。空气通过连接这两个腔室的轴在两个腔室之间移动。轴使两个腔室同时移动。 压缩空气的运动将液体从一个腔室压入排
出管。当另一个腔室被液体填充时,这个过程会重复。浏览我们的泵类选择,找到最适合您应用的泵。
B50 非金属泵
结构简单,易于维护
能够处理高比重和粘性流体
压力为8.6巴(125磅每平方英寸)
流量最高可达530升/分钟(140加仑/分钟)
法兰端连接
可靠,经过验证的气动空气阀
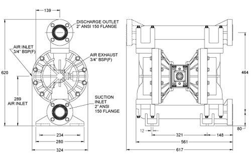
规格
最大交付量.......................................................................530 升/分钟 (140 加仑/分钟)
最大工作压力.......................................................................8.6 巴 (125 PSI)
最大固体颗粒尺寸.......................................................................6 毫米(0.24 英寸)
空气入口.......................................................................3/4″ NPT
温度极限.......................................................................由弹性体决定
干式吸力.......................................................................6.1米(20英尺)
吸力提升(湿).......................................................................7.6米(24.9英尺)
流体入口/出口.......................................................................2″ ANSI #150 突面法兰
安装.......................................................................表面贴装
配件包括在内.......................................................................排气消音器
运输重量
聚丙烯/铝.......................................................................39.5千克(87.1磅)
氟化乙烯丙烯/铝.......................................................................50.5千克(111.3磅)
聚丙烯/不锈钢.......................................................................50.5千克(111.3磅)
氟化乙烯丙烯/不锈钢.......................................................................70千克(154.3磅)
运输尺寸.......................................................................630 x 380 x 670 毫米 24.8英寸 x 15.0英寸 x 26.4


累计评价
0