微信客服
18117373387
QQ客服
271552507YTS气动隔膜泵半导体行业用泵 工程塑料泵 化工行业 高纯度流体输送IWAKI(易威奇)旗下品牌
YTS 泵设计特点
具有高性能操作、易于维护和预期使用寿命长的泵,包含许多在其他品牌泵中很少见到的完全工程化功能,所有耐磨部件均可更换,所有液
体接触表面均经过机械加工。
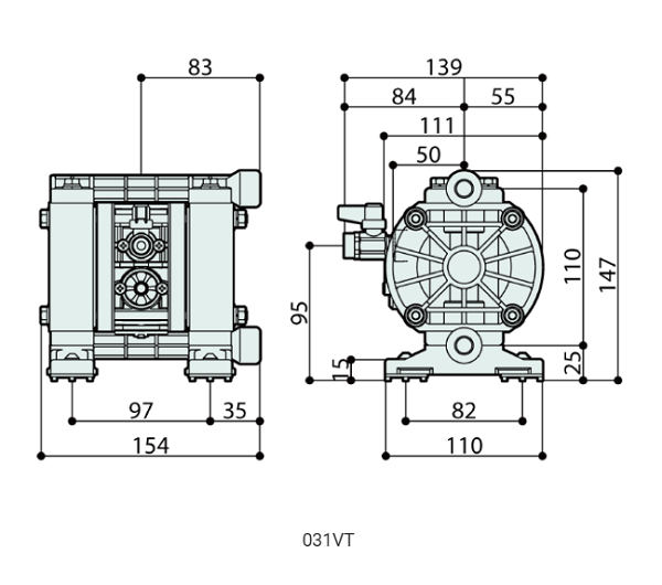
型号:031 030泵 ¼英寸液体连接 最大8升/分钟(2.1加仑/分钟)

YTS与IWAKI的关系主要体现在工业设备领域,具体可总结如下:
1. 产品从属关系
YTS是日本企业IWAKI(易威奇)旗下气动隔膜泵的产品系列,主要应用于半导体、化工等高纯度流体输送场景。
例如
YTS-D系列:专为半导体行业设计,采用氟塑料(PTFE)或金属材质,具有耐腐蚀、防污染特性,用于输送化学溶剂、光刻胶等。
IWAKI作为品牌方,提供技术支持和生产,YTS系列是其核心产品线之一。
2. 品牌关联与市场定位
同属工业泵领域:IWAKI是全球知名化工泵制造商(如磁力泵、计量泵),而YTS系列是其针对高纯流体输送需求开发的细分产品。
市场协同:在行业报告中,YTS Pump Engineering常与Iwaki Air并列出现,二者可能为关联企业或同一集团下的技术互补品牌,共同占据
高纯气动双隔膜泵市场份额。
3. 技术应用场景
YTS系列泵在以下领域与IWAKI技术深度绑定:
半导体制造:输送高纯度化学品(如氢氟酸、蚀刻液),避免污染。
化工与环保:处理强腐蚀性介质,如酸液、溶剂。
设备特性:无静电设计、防爆结构,符合易燃易爆环境的安全标准。


4. 供应链与代理体系
中国市场的YTS产品主要通过IWAKI代理商销售
结论
YTS是IWAKI旗下的专业气动隔膜泵产品线,专注于高纯度流体处理,尤其在半导体领域具有技术优势。两者关系可概括为:
品牌归属:YTS隶属于IWAKI的产品体系
技术协同:共享IWAKI的泵类核心技术
市场互补:共同覆盖工业高纯流体输送需求



累计评价
0